浅谈现阶段煤矿井筒保温各种技术应用
摘要:煤矿工业广场地面建筑供暖、井筒防冻需要消耗大量的热能,传统做法是通过燃煤锅炉提供热源以满足上述要求,这样不仅消耗大量燃煤,而且产生烟尘、CO2和SO2等污染物,造成环境污染和温室效应。采用经济合理、低碳环保的供热方案,解决煤矿井筒防冻和建筑采暖问题十分必要。
关键词:井筒保温、热泵、电锅炉、节能环保
一、项目背景
2018年6月27日,国务院印发《打赢蓝天保卫战三年行动计划》的通知,(国发〔2018〕22号),明确提出目标指标:经过3年努力,大幅减少主要大气污染物排放总量,协同减少温室气体排放,进一步明显降低细颗粒物(PM2.5)浓度,明显减少重污染天数,明显改善环境空气质量,明显增强人民的蓝天幸福感。到2020年,二氧化硫、氮氧化物排放总量分别比2015年下降15%以上;PM2.5未达标地级及以上城市浓度比2015年下降18%以上,地级及以上城市空气质量优良天数比率达到80%,重度及以上污染天数比率比2015年下降25%以上;提前完成“十三五”目标任务的省份,要保持和巩固改善成果;尚未完成的,要明确保全面实现“十三五”约束性目标;北京市环境空气质量改善目标应在“十三五”目标基础上进一步提高。开展燃煤锅炉综合整治。加大燃煤小锅炉淘汰力度。县级及以上城市建成区基本淘汰每小时10蒸吨及以下燃煤锅炉及茶水炉、经营性炉灶、储粮烘干设备等燃煤设施,原则上不再新建每小时35蒸吨以下的燃煤锅炉,其他地区原则上不再新建每小时10蒸吨以下的燃煤锅炉。环境空气质量未达标城市应进一步加大淘汰力度。重点区域基本淘汰每小时35蒸吨以下燃煤锅炉,每小时65蒸吨及以上燃煤锅炉全部完成节能和超低排放改造;燃气锅炉基本为完成低氮改造;城市建成区生物质锅炉实施超低排放改造。加快发展清洁能源和新能源。到2020年,非化石能源占能源消费总量比重达到15%。加大可再生能源消纳力度,基本解决弃水、弃风、弃光问题。其中“.....原则上不再新建天然气热电联产和天然气化工项目。限时完成天然气管网互联互通,打通“南气北送”输气通道。加快储气设施建设步伐,2020年采暖季前,地方政府、城镇燃气企业和上游供气企业的储备能力达到量化指标要求。建立完善调峰用户清单,采暖季实行“压非保民”。“...2020年全国电力用煤占煤炭消费总量比重达到55%以上。继续推进电能替代燃煤和燃油,替代规模达到1000亿度以上。
二、项目建设的必要性
1、节能减排、大气环境治理的要求
煤矿工业广场地面建筑供暖、井筒防冻需要消耗大量的热能,传统做法是通过燃煤锅炉提供热源以满足上述要求,这样不仅消耗大量燃煤,而且产生烟尘、CO2和SO2等污染物,造成环境污染和温室效应。
采用一套经济合理、低碳环保的供热方案,解决煤矿井筒防冻和建筑采暖问题十分必要。
2、煤矿工业场地可利用的废热十分丰富
目前,我国的能源主要以煤炭为主,煤矿的开采过程中通风是十分重要的,通风量大,通风温度常年基本维持不变。矿井回风中蕴含有巨大的低温热能。工业场地矿井水涌水量巨大,空压机余热等都蕴含有大量的可利用热能。
3、利用高效节能的热泵技术
热泵技术是利用低温热源进行供热制冷的新型能源利用方式,与使用煤、气、油等常规能源供热制冷方式相比,具有清洁、高效、节能的特点。鼓励发展的热泵系统包括:再生水源热泵(含污水、工业废水等)、地源热泵、地下(表)水源热泵、风源热泵。
热泵作为空调、采暖热源,与传统的热源相比,节能效果对比见表1-1。

从上表可以看出,热泵作为空调、采暖热源要优于目前传统的热源方式,电动热泵的制热系数COP只要大于3,能源利用系数E就大于0.9,而当前热泵技术的发展,小型水/空气热泵机组的供热性能系数COP值在3.3-5.0,而螺杆式冷水机组的COP可达4.88-5.25,离心式冷水机组的COP可达5.45-5.74。
三、可采用技术:
(1)矿井回风热能提取技术比较
目前在矿井回风热能提取中较为成熟的技术主要包括以下五种:
1、喷淋式换热热泵技术;
2、直膨式换热热泵技术;
3、喷淋+乙二醇换热热泵技术;
4、热管换热技术;
5、乙二醇双级提热热泵技术。
下面就以上五种技术分别进行描述:
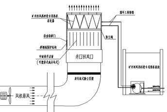
喷淋式换热热泵技术
(1)工作原理
在矿井回风源热泵系统中,如图3-1所示,矿井回风热交换器在改造后的回风换热塔内造就一个水雾空间,实现将矿井回风中所蕴含的大量热能通过喷淋换热方式转移到循环水里面,循环水作为水源热泵系统的低温热源。
冬季制热时工况时,热泵系统提取循环水中的热量,循环水温度降低,降温后的低温冷水在回风换热器中喷淋吸收回风中的热能,吸收热能后水温升高返回机组,为热泵机组提供热源,如此循环往复。
矿井回风热交换器经过数十个矿井回风项目的应用,已经发展非常成熟,尤其在成庄矿四号风井,矿井回风换热器很好地适应于矿井回风恒温、高湿、粉尘大的特点,可以将矿井回风中所蕴含的大量热能高效的转移到循环水里面,为热泵系统提供稳定的低温热源。

图1 喷淋换热热泵系统原理图
(2)喷淋回风换热特点:
①喷淋回风换热温度分布均匀,换热充分;换热器内空气速度分布均,通阻力小;喷淋水滴分布均匀、回风矢量分布均匀,换热没有死角。

图2 换热装置工况模拟图
②气——水换热,水雾和矿井回风直接换热,换热效率高,不但可以回收矿井回风显热热量和还可以回收潜热热量。
③无电动设备,无需防爆。
④该回风换热器有很强的净化空气能力,经过回风换热后粉尘等污柒物会大大的降低。回风换热器增加阻力50Pa以下,通风阻力小,对风机影响极小。
⑤降低风井排风的噪音可达30dB(A)。
⑥单独使用喷淋换热技术提取回风热能,从回风温度10℃提热后排风温度不低于4℃,根据上节计算可知,在极寒天气情况下,单独使用喷淋换热热泵系统制热量低,不能完全满足使用要求。
直膨式换热热泵技术
(1)换热原理
该换热原理其实就是空气源热泵的拆开使用,如图3为空气源热泵(直膨深焓换热热泵)技术原理,图4左图为空气源热泵一体机,右图为拆开后的空气源热泵(直膨换热技术也就是氟利昂直接膨胀蒸发换热)

图3 直膨换热热泵系统原理图

(2)直膨回风换热特点
①能效低
直膨回风换热为一级间壁式换热,换热不充分,热泵能效比低,最高为3.5,是所有热泵中效率较低的一种。
②土建投资高,易烧毁压缩机
机组分体设计,氟利昂管路长,压缩机回油困难,容易烧毁压缩机。换热器距压缩机垂高一般不超过16m,为了避免这样的矛盾,设计往往将热泵机房布置在高处尽量靠近换热器,增加了土建成本。
③需设置冲洗系统。
④由于换热限制,单体设备制热量不能太大,所以机组数量多,管路复杂。
⑤由于该系统减少了循环水路,系统简单,设备投资降低。
⑥通风阻力,低温换热时易结霜堵塞换热器,很难实现低温提热。
下图5是河北冀中能源葛泉矿系统原理图和现场照片,换热器直接布置在通风机排风口上方,氟利昂管路多,换热器堵塞严重,由于严重影响了矿井通风,目前该系统基本瘫痪状态。


图5葛泉矿安装图
下图6为山西龙泉煤矿直膨式热泵系统,压缩机缺油,频繁烧压缩机,已经多次更换了压缩机。

图3-6 龙泉矿安装图
下图7为阳煤集团榆树坡煤矿原理图,由于改进了换热器安装形式,造成换热塔体积十分庞大,土建投资非常庞大,同时通风阻力很大,没有实现低温取热。

图7 阳煤集团榆树坡煤矿原理图
喷淋+乙二醇换热热泵技术
(1)工作原理
如图3-8所示,矿井回风换热分两级,一级为喷淋换热,二级为乙二醇深度换热。

图8 系统原理图
该系统的第一级换热,即喷淋换热技术描述见3.1.2.1。
第二级为经喷淋换热后的矿井回风再通过与乙二醇换热器热交换,将其中所蕴含的热能进一步转移到乙二醇溶液中,作为热泵系统的低温热源。热泵系统提取乙二醇溶液中的热量,温度降低,通过换热器吸收回风中的热能,温度升高返回机组为热泵机组提供热源,如此循环往复。
(2)喷淋+乙二醇换热特点
①本系统具有喷淋换热系统全部优点,如换热效率高,通阻力小、降噪、净化空气,能够大大降低排风中粉尘浓度,无电动设备,无需防爆等。
②针对喷淋换热在北方低区无法深度提热的弊端,工艺采取降低排风湿度措施,同时采用乙二醇二级提热系统,提热后回风温度可降至0℃,通过上一章节计算可知,热源充足,可满足用热要求。
③由于有前置的喷淋换热系统,故无需再行设置冲洗除尘装置。
④热泵机组无需分体式设计,不存在氟利昂管路长度及高度限制问题,避免了压缩机回油困难,避免频繁烧压缩机情况,而且提高了热泵机组的运行能效。
⑤机房布置较灵活,不受空间限制。
双级提热热泵技术
(1)换热原理
此技术是在总结了晋煤成庄矿、潞安王庄矿、同煤四台矿等数十个项目后于2017年提出的一种基于回风换热的乏风源深度提热热泵井筒防冻系统。
该系统设有两组间壁换热器,可以将进入井口房的新风与矿井回风间接换热,达到预热效果;间壁换热器还可以通过乙二醇溶液与低温型水源热泵机组循环,乙二醇溶液进一步提取矿井回风中的热能,通过热泵机组转移到供热管路中,从而将预热后的新风进一步加热,使进入井口房的热风温度达到设计要求。

图9 系统原理图
(2)双级提热热泵技术特点:
①该技术可充分利用换热技术,可将送入井口房的新风预热,节电、节能显著。
②循环介质为乙二醇溶液,可有效避免冻管问题。
③设计的换热翅片间距大,阻力小,可实现深度提热,增加了总制热量,提热后回风温度理论上可实现-20℃,可完全满足项目用热需求。
④由于该系统采用循环水路,有效克服了分体式设计,氟利昂管路长度及高度限制问题,避免了压缩机回油困难,避免频繁烧压缩机情况,机房布置较灵活,不受空间限制热泵机房可投资降低。
⑤乏风换热后热量通过热泵转移到供热管路,热泵能效比低,为2.5-3,是所有热泵中效率较低的一种。
⑥由于乙二醇低温水源热泵机组的蒸发器侧采用闭式循环,水质不受回风粉尘影响,从而使系统维护成本大幅降低。
⑦需设置冲洗系统。
通过上述五种技术比较可知,乙二醇双级提热热泵技术和喷淋+乙二醇换热热泵技术中热泵机组无需分体设计,不存在氟利昂管路长,压缩机回油困难问题,同时均可实现深度提热。故本项目针对以上两种技术进行比选。
(2)空压机余热回收技术
空压机在煤炭生产系统中主要为各种风动工具(如风镐、风钻和风动凿岩机等)提供动力,是煤矿的主要生产设备之一,同时也是主要耗电设备之一,约占企业用电量的十分之一。但长期以来,空气压缩机的能效非常低,其有用功一般只占输入能的20%左右,约80%的能量转换成热量散失了。空压机系统存在的大量电能转化为热量散失而造成的能源浪费现象,完全可以通过全面的系统解决方案来消除。通过加入热回收系统,对原有的空气压缩系统进行改造,既可解决空压机冷却散热的难题,又可以充分利用废热,减少常规燃料消耗量,具有良好的经济和社会效益。
增加油水单级余热回收装置,将冷却油中的热能提取用于供热。具体改造原理为:在原油路系统的出口分别加装温控三通电磁阀,将机油引出后通过换热器实现换热。为了提高安全系数,该方案保留原有风冷系统,即空压机余热回收系统与原有冷却系统并联。经油气分离后,分离出的高温气直接通往原有的气冷却系统,分离出的高温油则经三通温控比例调节阀内的感温元件检测其温度,若高温油温度低于60℃,则不用进行热交换,直接通过过滤器通往油路循环系统,若高温油温度高于60℃,则在进行热交换后再进入油路循环系统。该油-水换热系统中的水选用软水,防止因腐蚀或积垢造成对空压机的影响。详见图10:余热回收装置原理图。


图10 螺杆式空压机余热回收装置原理图

图11 离心式空压机余热回收原理
为利用热量,则空压机可回收热量为:129.5kW,可回收能量9.324GJ。
(3)空气源热泵技术
热泵的理论起源于1824年卡诺发表的关于卡诺循环的论文,空气源热泵技术是在1924年发明,直到二十世纪六十年代,世界能源危机爆发,热泵以其回收低温热,节约能源的特点,进而登上历史舞台受到人们的青睐。空气源热泵,作为热泵技术的一种,有“大自然能量的搬运工”的美誉,其使用成本低、易操作、环保、安全、干净。
机组运行基本原理依据是逆卡诺循环原理,液态工质首先在蒸发器内吸收空气中的热量而蒸发形成蒸汽(汽化),汽化潜热即为所回收热量,而后经压缩机压缩成高温高压气体,进入冷凝器内冷凝成液态(液化)把吸收的热量发给需要的加热的水中,液态工质经膨胀阀降压膨胀后重新回到膨胀阀内,吸收热量蒸发而完成一个循环,如此往复,不断吸收低温源的热而输出所加热的水中,直接达到预定温度。
空气源热泵组成:通常由压缩机、冷凝器、蒸发器和膨胀阀4部分构成,传热工质在机组内封闭运行,并通过冷凝器和蒸发器与外部发生热交换。空气源热泵供暖原理如下图:

图12 空气源热泵原理图
在制热时,液态制冷剂在空气换热器中汽化,吸收空气中的热量,低温低压的气态制冷剂经压缩机压缩后变为高温高压气体送至水换热器。由于制冷剂的温度高于水的温度。制冷剂从气态冷却为液态,液体制冷剂经膨胀阀节流后,在压力作用下进入空气换热器,低压气体制冷剂再次汽化,完成一次循环。在这个循环中,随着制冷剂状态的变动,实现了热量从空气侧向水侧的转移。
普通空气源热泵机组在低温及潮湿工况下结霜,导致机组不能正常运行或制热效果差,限制了空气源热泵机组在北方地区的推广。新一代低温空气源热泵机组,采用谷轮新一代的喷气增焓压缩机,其最低的工作温度可低至-25℃,解决了空气源热泵机组在北方地区应用困难的问题,低温空气源热泵机组运行原理见下图。

图13 超低温空气源热泵原理图
喷气增焓系统是由喷气增焓压缩机、喷气增焓技术、高效热水换热器、高效蒸发器组成的新型系统,喷气增焓技术的压缩机与传统空气源热泵相比多了一个吸气口,通过产生蒸汽来冷却主循环的制冷剂,蒸汽就是从第二个吸口进入压缩机的,提高压缩机排气量,达到低温环境下提升制热能力的目的,压缩机的压缩过程被补气过程分割成两段,变为准二级压缩过程。其意义在于吸气降低排气温度,同时降低其排气过热度,减少冷凝器的气相换热区的长度,增加两相换热面积,提高冷凝器的换热效率,同时吸气对主循环回路冷媒进行节流前过冷,使得蒸发温度与冷凝温度相差变大,提升了机组的制热效果。
高效过冷却器在整个系统中起关键性的作用,一方面对主循环回路冷媒进行节流前过冷,增大焓差;另一方面,对辅助回路(这路冷媒将由压缩机中部导入直接参与压缩)中经过电子膨胀阀降压后的低压低温冷媒进行适当的预热,以达到合适的中压,提供给压缩机进行二次压缩,有效的避免了压缩机吸气不足,并增大了机组吸排气焓差,提升了机组的制热能力。
(4)燃气锅炉供热技术
WNS系列燃气锅炉采用全自动控制,对燃烧器的适应性好。采用低氮燃气燃烧器,性能可靠,自动化程度高。燃气锅炉采用锅壳式全湿背式烟火管结构。该结构由于其结构紧凑,占地面积小。采用三个回程,燃气经燃烧器良好雾化后与空气充分混合,在波纹炉胆中完全燃烧,由后烟室折转进入第一回程烟管,至前烟箱转到第二回程烟管,最后进入后烟箱,由烟囱排出。炉胆尺寸较大,为燃料的充分燃烧提供条件,因此,对不同燃气燃料具有较强的适应性。达到能耗低、热效率高、压力稳定、供气量足、经济使用等优点。
WNS系列燃气锅炉特点:
(1)热力充足,锅炉受热面积大,充分吸收有效热量,排烟温度低,热损失小,出力足,热效率高;
(2)安全降水时间足,锅炉的燃烧室低位布置,具有充足的安全降水空间,保证锅炉的运行安全;
(3)多功能的安全防爆装置,锅炉后面板上设有与炉膛连通的防爆装置,防止燃料在炉膛中发生剧烈爆燃时,泄放瞬间产生的高能量,能自动复位,同时具有观火视镜和检修通道的功能作用,利用运行中燃烧火焰的调整,炉膛检查、维护方便;
(4)锅内检修方便。锅炉顶部设有人孔,锅炉前后端中下部分别设有独特的手孔装置,便于锅内装置及锅炉底部的检查、清理;
(5)前后烟箱密封性好,烟箱采用双开式烟箱门,开启方便,多级迷宫式密封,密封材料特制,压缩性好,完全隔阻烟气的泄漏,可重复使用;
(6)压力、水位保护可靠。锅炉压力、水位设置多重控制保护,以及超烟温保护,确保锅炉运行的安全;
(7)自动控制水平较高;
(8)氮氧化物排放量低。

图14 燃气锅炉实物图
(4)电锅炉供热技术
随着国家煤改电政策出台,市场上涌现出多种类的电锅炉,主要包括低压电阻(电磁)锅炉、电极锅炉、远红外热风炉、高分子相能机组等。无论何种形式的电锅炉,其根本上都是利用电作为供热源,存在效率低(不到1)、不安全、运行费用高等问题,尤其对于生产矿井,矿井剩余电容量远不能满足建设要求,同时受到上级供电设施限制,扩容难以实施。电锅炉见14。

图15 电锅炉技术
(5)水源热泵技术
水源热泵技术是一种以可再生能源——浅层低温热能(包括浅层地下水、生活污水、工业废水、矿井水、矿井总回风等蕴藏的低品位热能)为热源的新型、节能环保型冷暖中央空调系统。它具有冬季向建筑物供暖,夏季向建筑物供冷及常年提供卫生热水的功能,是一种以消耗少量电能为代价,能将大量无用的低温热能变为有用的高温热能的装置,其原理可分为三个能量转移过程:
第一过程:污水在蒸发器中经过,机组蒸发器内的介质吸收污水热量蒸发,变成高温低压气体。
第二过程:机组自身介质循环,蒸发的气体被压缩机吸收并压缩,变成高温、高压的气体。
第三过程:机组的高温、高压的介质进入冷凝器冷凝,放出热量,并与冷凝器内的水进行热交换,实现将在蒸发器内吸收的热量和输入的电能总和输出给自来水的过程。

本项目采用水源热泵技术方案优点如下:
(1)高效节能
水源热泵是目前空调系统中能效比(COP值)最高的制冷、制热方式,理论计算可达到4~5。
(2)属可再生能源利用技术
本项目通过热泵技术回收洗浴废水、矿井中水蕴藏的低温热能,为煤矿工业场地热水提供热能,实现废热回收利用、符合循环经济原理。
(3)系统自动化程度高,操作容易;
(4)节能、减排效益显著
水源热泵机组供热时省去了燃煤、燃气、燃油等锅炉房系统,实现煤矿不燃煤。水源热泵机组运行无任何污染,无燃烧、无排烟,不产生废渣、废水、废气和烟尘,不会产生城市热岛效应,对环境非常友好,是理想的绿色环保产品。
(5)运行稳定可靠,维护方便。
(6)建设工期短,投资回收快。
四、各技术总结:
煤矿井筒保温冬季可通过矿井水余热利用系统、矿井回风余热利用系统、空气源热泵技术等技术解决煤矿工业场地、选煤厂建筑采暖、井筒防冻、洗浴供热问题,实现绿色能源回收利用、节能减排的目标。切实解决实际问题,环保效益突出、经济效益可观、社会效益显著。
各个煤矿所在区域、自身优势特点各不相同,各矿要结合自身特点选择最适合自己的供热形式。例如兴县斜沟煤矿工业场地存在峰谷电优势,夜间谷电非常便宜,针对这种优势,山西省吕梁市斜沟煤矿采用了固体蓄热电锅炉,夜间利用廉价谷电蓄热,白天供暖,节省了大量的费用。陕西省榆林市小纪汗煤矿井下存在大量用水月13000m³/h,涌水量巨大,蕴含有巨大的低温能源,该矿充分利用井下水余热,通过热泵提取井下水低温热能,制备热水满足全矿供热需求。山西晋城市成庄煤矿四号风井,由于风井场地地处深山,场地里没有燃气、不存在峰谷电、且冬季下雪路滑难上,车辆无法到达,用碳困难,幸运的是场地内建设有一座回风井,回风井每天排出大量低温热能,该矿因地制宜根据自身优势建设了乏风余热热泵系统,为冬季井筒供热取得了不错的效果。山西晋城市亿欣煤矿南翼风井场地地处山区,场地偏远无法实现任何能源供给,但场地内有一座35kV变电所井筒进风量小,需要供热负荷不大,该矿因地制宜,采用空气源热泵加电热风炉实现了井筒保温及场地建筑冬季供热。
综上所述针对煤矿工业场地自身特点,因地制宜,采用适合自身余热利用技术实现冬季供热,既是环保工程,又是节能工程,经济效益可观,项目实施势在必行。
参考文献:《实用供热空调设计手册》陆耀庆 中国建筑工业出版社。
《煤炭工业矿井设计规范》中国计划出版史。
《煤炭工业矿井节能设计规范》中华人民共和国建设部。
《供暖通风与空气调节》吴萱 北京交通大学出版社。
- 上一篇:家装市场“金九银十”凉了吗
- 下一篇:六点让你掌握,我国净水市场的特征

